您的位置:网站首页 > 产品展示 > 过电压解决方案过电压解决方案
氧化锌避雷器
发布日期: 2017-12-29 09:51:39 来源:
金属氧化物避雷器是用来保护电力设备免受过电压损坏的一种保护产品,它广泛用于发电、供电和用电企业的电力电网中
产品主要特点:
◆系统发生间歇性弧光接地过电压及铁磁谐振过电压时,会加速避雷器内部元件老化、击穿、爆炸;避雷器内部元件受潮时,会导致避雷器爆炸;频繁操作造成的过电压会使避雷器内部器件逐渐老化;安装部门不小心造成避雷器错误安装;施工部门不小心将送电线路碰断,造成接地短路等系统其它无预知性的诱因,最后都将使避雷器损坏、爆炸,甚至使开关柜内设备受损烧毁,造成大面积停电。
◆采用硅橡胶外套结构,使产品密封性强,爬电比距大,可使用在高海拔和重污秽地区;
◆体积小、重量轻、安装简单方便,可直接安装在开关柜内
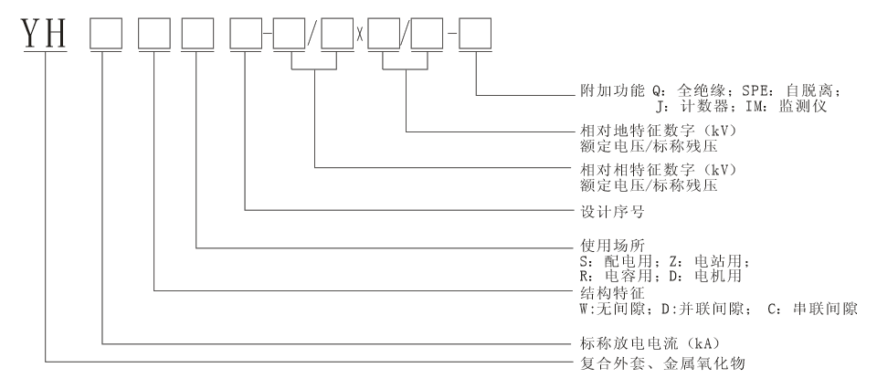
型号定义
本产品型号定义完全执行JB/T8459-1996《避雷器产品型号编制方法》的规定,具体型号说明如下:

